VIBER
Написать в Viber

В корзине пусто!
Краткое описание
ZB Copeland Scroll - спиральные компрессоры для среднетемпературного охлаждения на R407A/F/C, R448A/R449A, R404A, R134a, R450A и R513A.Компрессоры Copeland Scroll имеют втрое меньше движущихся деталей по сравнению с порш... Читать далее...
Краткие характеристики
Написать в Viber
Написать в Telegram
Написать в messenger

| ------- | |
| Актуальность | актуальный |
| Бренд | Copeland |
| Вес | 61.2 кг |
| Гарантия | 12 месяцев |
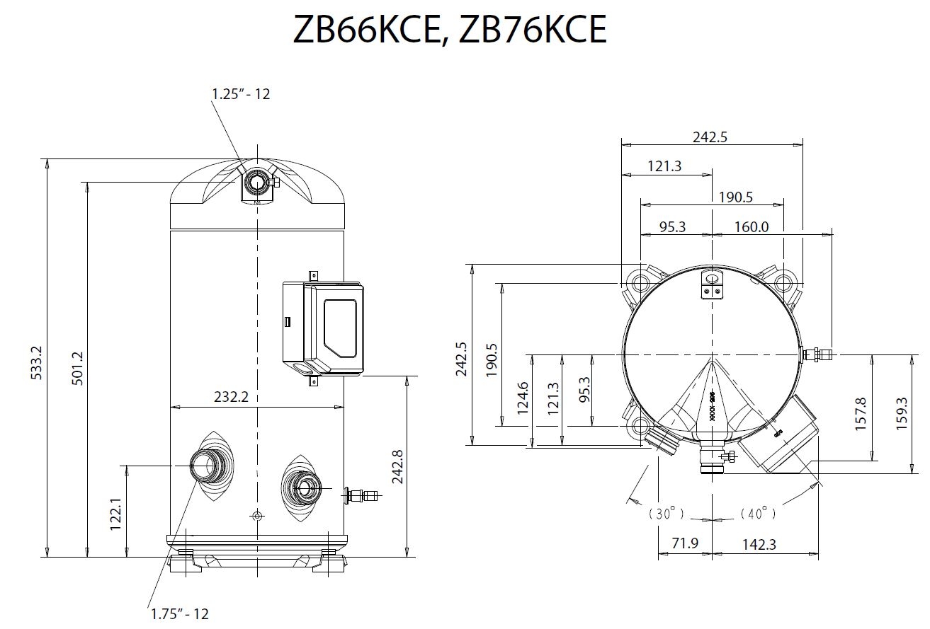
| Диаметр патрубков всасывание | 1 3/4' |
| Диаметр патрубков нагнетание | 1 1/4' |
| Исполнение | 651 - версия с резьбовыми штуцерами под вентиль Rotalock. подключение через фишку IP66 |
| Модельный ряд | ZB |
| Объем заправки масла | 3.3 л |
| Основная характеристика м³/ч | 28.8 |
| Питание | 380-420V / 50Hz / 3~ |
| Размеры | 264х284х533 мм |
| Страна бренда | Германия |
| Температурный режим | среднетемпературный |
| Тип компрессора | cпиральный |
| Тип корпуса | герметический |
| Тип масла | POE |
| Управление | обычное |
| Фреон | R404a. R134a. R407a/c |
| Холодопроизводительность при t°конд.+40°С, t°кип.-10°С | 19.4 кВт |
| Холодопроизводительность при t°конд.+40°С, t°кип.-15°С | 16 кВт |
| Холодопроизводительность при t°конд.+40°С, t°кип.-20°С | 13 кВт |
| Холодопроизводительность при t°конд.+40°С, t°кип.-25°С | 10.4 кВт |
| Холодопроизводительность при t°конд.+40°С, t°кип.-5°С | 23.3 кВт |
