Подобрать оборудования
автоматический подбор комплекта оборудования для холодильной камеры

В корзине пусто!
Краткое описание
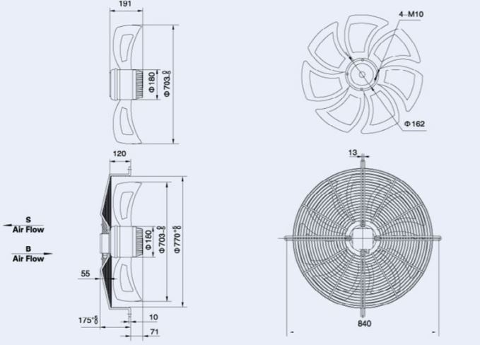
Осевой вентилятор серии YWF имеет двигатель с внешним ротором. Двигатель характеризуется компактной конструкцией, удобной установкой, экономией энергии и высокой эффективностью.Широко используются в конденсаторах, испари... Читать далее...
Краткие характеристики
автоматический подбор комплекта оборудования для холодильной камеры
Написать в Viber
Написать в Telegram
Осевой вентилятор серии YWF имеет двигатель с внешним ротором. Двигатель характеризуется компактной конструкцией, удобной установкой, экономией энергии и высокой эффективностью.
Широко используются в конденсаторах, испарителях, других холодильных установках и в области вентиляции. Средний срок службы вентилятора составляет более 30000 часов. Вентилятор сертифицирован CCC, CE, UL.
Расшифровка маркировки вентилятора:
YWF 4 E - 350 S - 102 / 34 - G
1 2 3 4 5 6 7 8
1. Вентилятор осевой общего назначения серии YWF
2. Количество полюсов электродвигателя
3. Тип двигателя: Е - однофазный, D - трехфазный двигатель
4. Диаметр лопастей вентилятора: 300мм, 350мм, 400мм, 450мм, 500мм, 630мм
5. Направление воздуха: S - всасывание, B - нагнетание
6. Диаметр ротора
7. Толщина лопасти
8. Возможные исполнения корпуса: G - решетка цилиндрического корпуса, B - квадратная рамка, R - круглая рамка, T - цилиндр.

| ------- | |
| Бренд | Weiguang |
| Вес | 30 кг |
| Питание | 380В/50Гц/3фази |
| Рабочая температура (TS) | -30 C ... 60 C |
| Скорость вращения | 900 об/мин |
| Страна бренда | Китай |
| Тип | Осьові вентилятори |
| Уровень шума | 80 Дб |
| Объём воздуха м3/ч | 15670 |
| Диаметр крыльчатки, мм | 710 |
| Потребляемая мощность, Вт: | 900 |
Теги: Вентилятор обдува Weiguang YWF6D-710-S-180/75-G
