Підібрати обладнання
автоматичний розрахунок комплекту обладнання для холодильної камери

У кошику порожньо!
Короткий опис
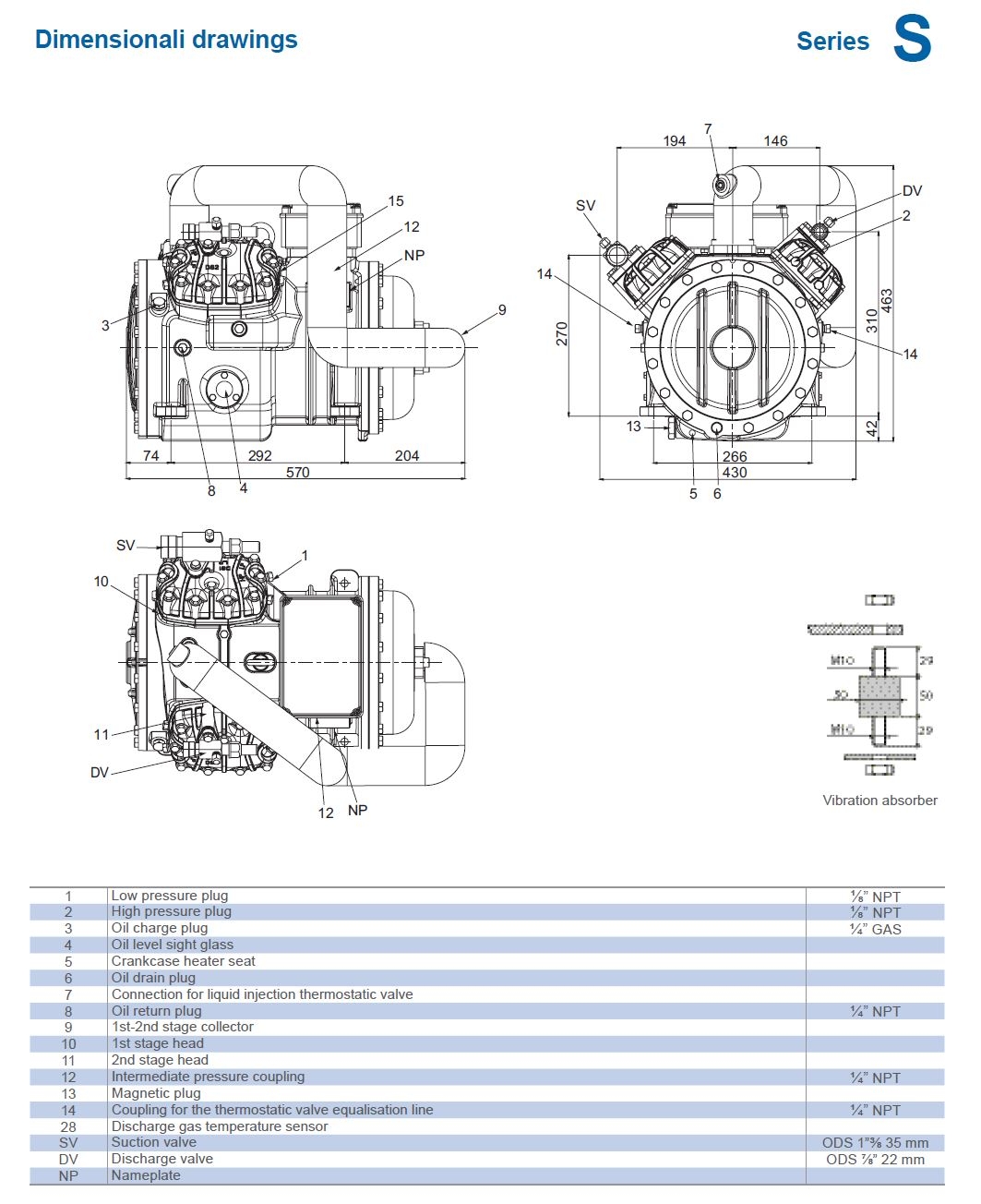
Напівгерметичні поршневі двоступеневі компресори Frascold були повністю перероблені і перепроектовані з виключенням зовнішніх колекторів межступенчатом лінії і з включенням додаткової лінією впорскування рідини. Це забе... Читати далі...
Короткі характеристики
автоматичний розрахунок комплекту обладнання для холодильної камери
Написати в Viber
Написати в Telegram
| ------- | |
| Актуальність | актуальний |
| Бренд | Frascold |
| Виконання | вентилі з приєднаннями під пайку |
| Гарантія | 12 місяців |
| Діаметр патрубків всмоктування | 15.8 мм (5/8 ') |
| Діаметр патрубків нагнітання | 12.7 мм (1/2') |
| Живленя | 380-420V / 50Hz / 3 ~ |
| Кількість циліндрів | НД - 2. ВД -2 |
| Країна бренду | Італія |
| Модельний ряд | S |
| Обсяг заправки масла | 3.3 л |
| Основна характеристика м³/ч | 26.87 |
| Охолодження при t ° конд. + 45 ° С, t ° кіп.-30 ° С | 10.93 кВт |
| Охолодження при t ° конд. + 45 ° С, t ° кіп.-35 ° С | 9.02 кВт |
| Охолодження при t ° конд. + 45 ° С, t ° кіп.-40 ° С | 7.39 кВт |
| Охолодження при t ° конд. + 45 ° С, t ° кіп.-45 ° С | 5.86 кВт |
| Потужність | 9.5 кВт |
| Розміри | 570х430х463 мм |
| Температурний режим | низькотемпературний |
| Тип компресора | поршневий |
| Тип корпуса | напівгерметичний |
| Тип масла | POE 32 |
| Управління | звичайне |
| Фреон | R404a. R507. R22 |
