Підібрати обладнання
автоматичний розрахунок комплекту обладнання для холодильної камери

У кошику порожньо!
Короткий опис
Агрегати Optyma є найбільш надійними і ефективними компресорно-конденсаторними агрегатами для самого широкого діапазону застосування. Агрегати Optyma™ мають самий широкий на ринку модельний ряд серед герметичних компресо... Читати далі...
Короткі характеристики
автоматичний розрахунок комплекту обладнання для холодильної камери
Написати в Viber
Написати в Telegram

| ------- | |
| Бренд | Danfoss |
| Вага | 19 кг |
| Виконання | A01 |
| Діаметр патрубків всмоктування | 3/8 ' |
| Діаметр патрубків нагнітання | 1/4 ' |
| Живленя | 230 В / 50 Гц / 1 ~ |
| Заводський код | 114X0233 |
| Кількість вентиляторів | 1х200 мм |
| Компресор | FR10GX |
| Конденсатор | BG2 |
| Країна бренду | Данія |
| Основна характеристика м³/ч | 420 м3 / год |
| Охолодження при tокр + 32С, tкіп.-10С | 359 Вт |
| Охолодження при tокр + 32С, tкіп.-25С | 177 Вт |
| Охолодження при tокр + 32С, tкіп.-30С | 134 Вт |
| Охолодження при tокр + 32С, tкіп.0С | 526 Вт |
| Охолодження при tокр + 32С, температуру кипіння. + 5С | 623 Вт |
| Охолодження при tокр + 32С, температуру кипіння.+ 10С | 730 Вт |
| Охолодження при tокр. + 32С, tкіп.-20С | 229 Вт |
| Ресивер | 0,8 л |
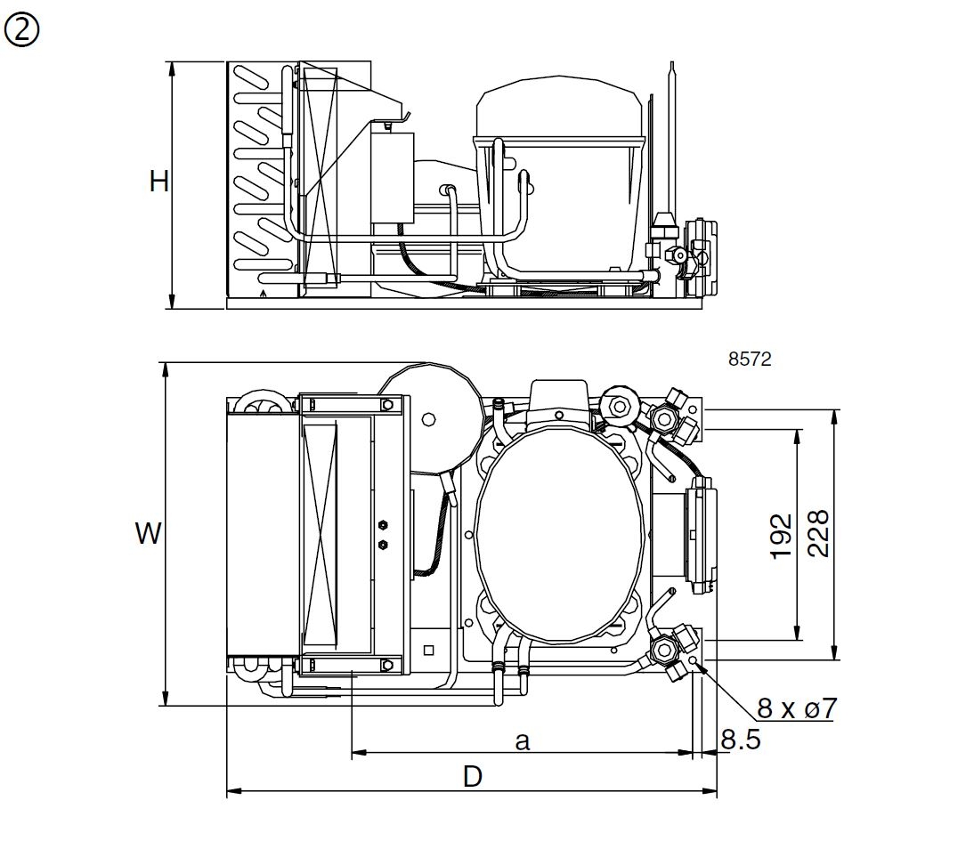
| Розміри | 226х312х446 мм |
| Серія | Optyma |
| Температурний режим | низькотемпературний, середньотемпературна, високотемпературний |
| Фреон | R134а |
Теги: Холодильний агрегат Danfoss UCGC010FRA01G
