Підібрати обладнання
автоматичний розрахунок комплекту обладнання для холодильної камери

У кошику порожньо!
Короткий опис
Регулятори тиску випаровування серії 3330 призначені для підтримки тиску випаровування на постійному рівні, стабілізації тиску поверхні випарника. Оберігають від надмірно низького тиску випаровування і, як наслідок, ві... Читати далі...
Короткі характеристики
автоматичний розрахунок комплекту обладнання для холодильної камери
Написати в Viber
Написати в Telegram
Регулятори тиску випаровування серії 3330 призначені для підтримки тиску випаровування на постійному рівні, стабілізації тиску поверхні випарника. Оберігають від надмірно низького тиску випаровування і, як наслідок, від сильного обмерзання випарника. Диференціюють тиск випаровування для декількох випарників в однокомпресорних системах.
Регулятори Castel є універсальними, тому дані пристрої застосовуються в кондиціонерах і спліт-системах, транспортних холодильниках, холодильній техніці, наприклад, морозильних апаратах і холодильних системах.
Регулятор встановлюється на лінії всмоктування і відкривається, коли входить тиск збільшується, тобто, коли тиск у випарнику перевищує встановлений рівень.
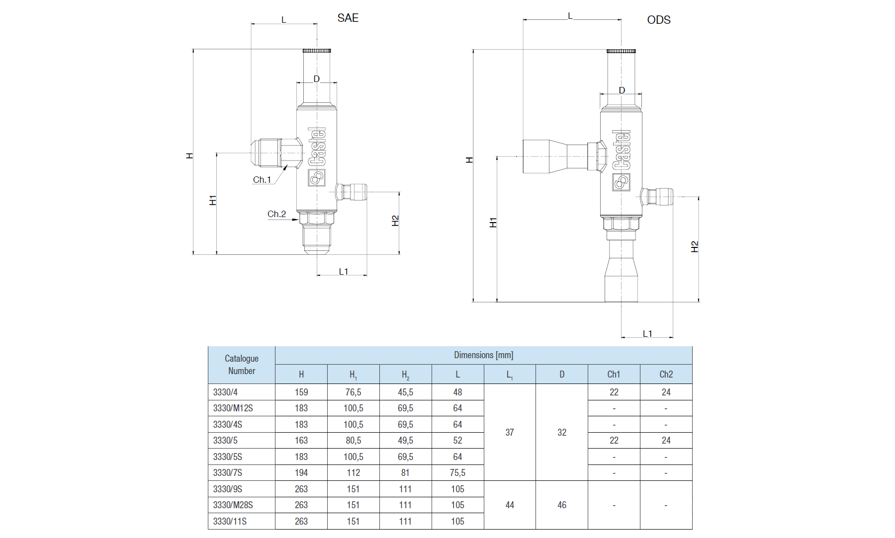
Схема-креслення регулятора тиску Castel 3330 / 7S:
| ------- | |
| Бренд | Castel |
| Вага | 560 г |
| З'єднання | 7/8 '(22 мм) ODF |
| Країна бренду | Італія |
| Пропускна здатність | 2,7 м3 / ч |
| Робоча температура (TS) | -40 ... + 110 ° С |
| Робочий тиск (PS) | 28 бар |
| Розміри | 183х102,5х32 мм |
