Підібрати обладнання
автоматичний розрахунок комплекту обладнання для холодильної камери

У кошику порожньо!
Короткий опис
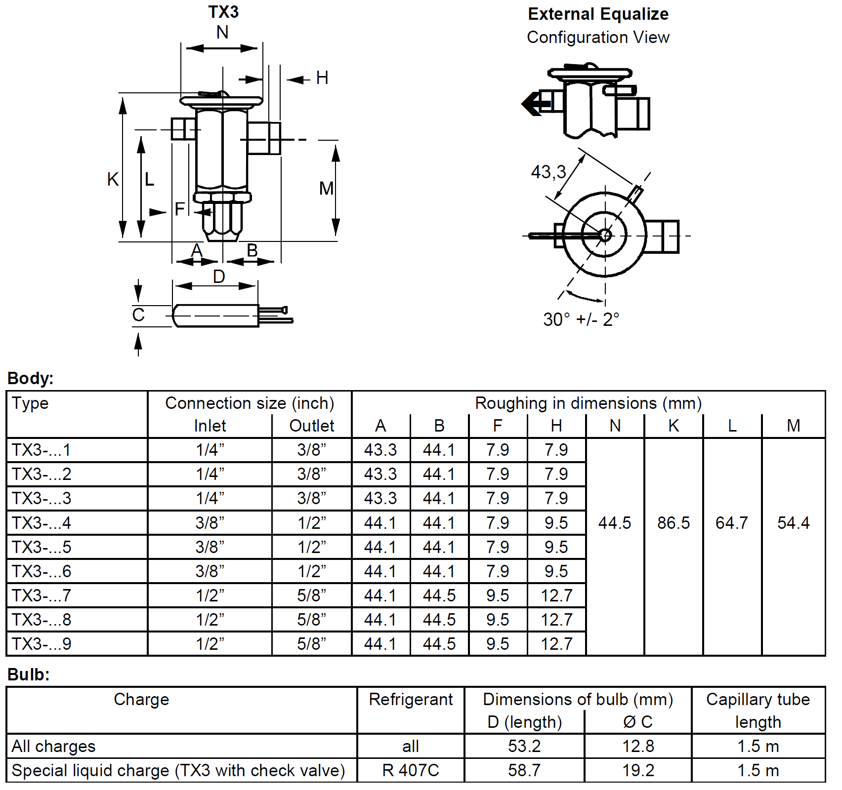
Термо-розширювальні вентилі Alco Controls серії TX3 призначені для систем кондиціонування повітря, теплових насосів, комерційних холодильних установок. Вентилі серії TX3 ідеально відповідають вимозі цих систем, поєднуюч... Читати далі...
Короткі характеристики
автоматичний розрахунок комплекту обладнання для холодильної камери
Написати в Viber
Написати в Telegram
| ------- | |
| MOP | немає |
| Бренд | Alco Controls |
| Виконання | з'єднання під пайку (ODF), патр УБКІ з міді |
| Довжина капілярної трубки | 1,5 м |
| З'єднання | 1/2 'x 5/8' х 1/4 '(вх - вих - вир) |
| Заводський код | 801823M |
| Країна бренду | Німеччина |
| Продуктивність | 14,2 кВт |
| Робоча температура (TS) | -45 ° С ... + 120 ° С |
| Робочий тиск (PS) | 45 бар |
| температура кипіння | -25 ° С ... + 20 ° С |
| Тиск випробування (PT) | 48 , 3 бар |
| Фреон | R407c |
