Підібрати обладнання
автоматичний розрахунок комплекту обладнання для холодильної камери

У кошику порожньо!
Короткий опис
Тандем-компресори Bitzer серії Ecoline - простий спосіб з'єднання двох компресорів в паралель. Включення і відключення одного компресора дозволяє особливо ефективно регулювати продуктивність. Моделі 4-х і 6-циліндрових... Читати далі...
Короткі характеристики
автоматичний розрахунок комплекту обладнання для холодильної камери
Написати в Viber
Написати в Telegram
Тандем-компресори Bitzer серії Ecoline - простий спосіб з'єднання двох компресорів в паралель. Включення і відключення одного компресора дозволяє особливо ефективно регулювати продуктивність. Моделі 4-х і 6-циліндрових тандем-компресорів також можуть бути оснащені системами регулювання продуктивності (відключення головок циліндрів), що дозволяє їм працювати з чотирма або шістьма ступенями регулювання продуктивності. Зокрема, для установок, що працюють зі значними коливаннями величини навантаження застосування тандемів дозволяє економно і енергоефективно функціонувати як при повній, так і при частковому навантаженні з усіма звичайними холодоагентами.
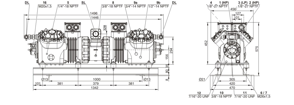
Схема-креслення компресора Bitzer 44НЕ-36Y:
| ------- | |
| Актуальність | актуальний |
| Бренд | Bitzer |
| Гарантія | 1 рік |
| Діаметр патрубків всмоктування | 54 мм (2 1/8 ') |
| Діаметр патрубків нагнітання | 2х28 мм (1 1/8 ') |
| Живленя | 380-420V / 50Hz / 3 ~ |
| Кількість циліндрів | 8 |
| Країна бренду | Німеччина |
| Модельний ряд | HE |
| Обсяг заправки масла | 8 дм3 |
| Основна характеристика м³/ч | 147.2 |
| Охолодження при t ° конд. + 40 ° С, t ° кіп.-0 ° С | 124.5 кВт |
| Охолодження при t ° конд. + 40 ° С, t ° кіп.-10 ° С | 85.2 кВт |
| Охолодження при t ° конд. + 40 ° С, t ° кіп.-15 ° С | 69.4 кВт |
| Охолодження при t ° конд. + 40 ° С, t ° кіп.-20 ° С | 55.8 кВт |
| Охолодження при t ° конд. + 40 ° С, t ° кіп.-25 ° С | 44.1 кВт |
| Охолодження при t ° конд.+ 40 ° С, t ° кіп.-5 ° С | 103.5 кВт |
| Потужність | 2х22 кВт |
| Розміри | 1496x456x575 мм |
| Температурний режим | низькотемпературний |
| Тип двигуна | версія 2 |
| Тип компресора | поршневий |
| Тип корпуса | напівгерметичний |
| Тип масла | BSE32 (для R134a і tc> 70 ° C - BSE55. дл R22 - B5.2) |
| Фреон | R134a. R404a. R507a |
