Підібрати обладнання
автоматичний розрахунок комплекту обладнання для холодильної камери

У кошику порожньо!
Короткий опис
Обладнані механічним регулюванням продуктивності і володіють розширеною областю допустимого застосування, напівгерметичні компактні гвинтові компресори Bitzer CSH серії підходять для використання в промислових рідинних ч... Читати далі...
Короткі характеристики
автоматичний розрахунок комплекту обладнання для холодильної камери
Написати в Viber
Написати в Telegram

| ------- | |
| Актуальність | актуальний |
| Бренд | Bitzer |
| Гарантія | 1 рік |
| Діаметр патрубків всмоктування | 64 мм (2 5/8 ') |
| Діаметр патрубків нагнітання | 54 мм ( 2 1/8 ') |
| Живленя | 380-420V / 50Hz / 3 ~ |
| Країна бренду | Німеччина |
| Модельний ряд | CSH |
| Обсяг заправки масла | 10 дм3 |
| Основна характеристика м³/ч | 220 |
| Охолодження при tконд. + 40С, tкіп.-0С | 115.5 кВт |
| Охолодження при tконд. + 40С, tкіп.-10С | 74.3 кВт |
| Охолодження при tконд. + 40С, tкіп.-15С | 58.1 кВт |
| Охолодження при tконд. + 40С, температуру кипіння. + 10С | 171.6 кВт |
| Охолодження при tконд. + 40С, температуру кипіння. + 5С | 141.4 кВт |
| Охолодження при tконд. + 40С, температуру кипіння.5С | 93.2 кВт |
| Потужність | 56 кВт |
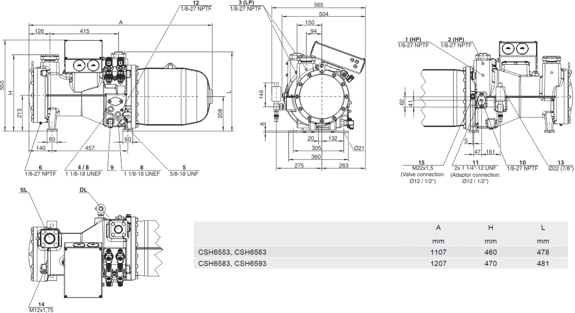
| Розміри | 1207х565х550 мм |
| Температурний режим | середньотемпературна |
| Тип двигуна | версія 2 |
| Тип компресора | гвинтовий |
| Тип корпуса | напівгерметичний |
| Тип масла | BSE170 ( для R22 - B320SH) |
| Фреон | R134a. R407c. R1234yf. R1234ze. R450a. R513a |
