Підібрати обладнання
автоматичний розрахунок комплекту обладнання для холодильної камери

У кошику порожньо!
Короткий опис
Обладнані механічним регулюванням продуктивності і володіють розширеною областю допустимого застосування, напівгерметичні компактні гвинтові компресори Bitzer CSH серії підходять для використання в промислових рідинних ... Читати далі...
Короткі характеристики
автоматичний розрахунок комплекту обладнання для холодильної камери
Написати в Viber
Написати в Telegram
| ------- | |
| Актуальність | актуальний |
| Бренд | Bitzer |
| Гарантія | 1 рік |
| Діаметр патрубків всмоктування | 64 мм (2 5/8 ') |
| Діаметр патрубків нагнітання | 54 мм (2 1/8 ') |
| Живленя | 380-420V / 50Hz / 3 ~ |
| Країна бренду | Німеччина |
| Модельний ряд | CSH |
| Обсяг заправки масла | 10 дм3 |
| Основна характеристика м³/ч | 195 |
| Охолодження при t ° конд. + 40 ° С, t ° кіп.-0 ° С | 102.4 кВт |
| Охолодження при t ° конд. + 40 ° С, t ° кіп.-10 ° С | 65.8 кВт |
| Охолодження при t ° конд. + 40 ° С, t ° кіп.-15 ° С | 51.5 кВт |
| Охолодження при t ° конд. + 40 ° С, t ° кип. + 5 ° С | 125.4 кВт |
| Охолодження при t ° конд. + 40 ° С, t ° кип.+ 10 ° С | 152.1 кВт |
| Охолодження при t ° конд.+ 40 ° С, t ° кіп.-5 ° С | 82.6 кВт |
| Потужність | 51 кВт |
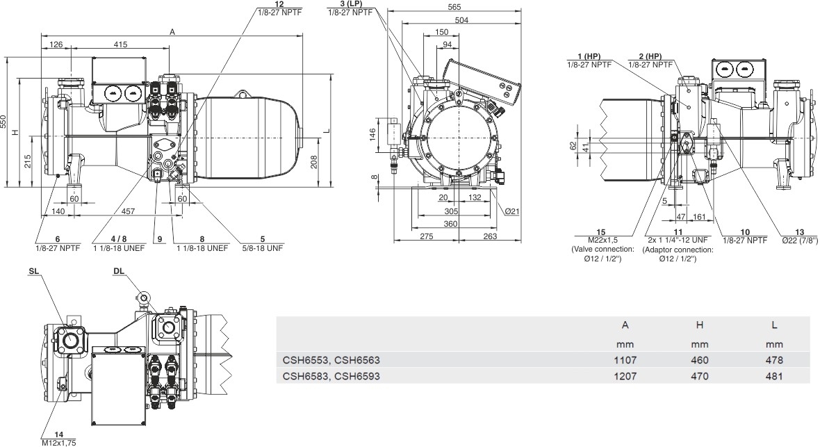
| Розміри | 1207х565х550 мм |
| Температурний режим | середньотемпературна |
| Тип двигуна | версія 2 |
| Тип компресора | гвинтовий |
| Тип корпуса | напівгерметичний |
| Тип масла | BSE170 |
| Фреон | R134a. R407c. R1234yf. R1234ze. R450a. R513a |
