Підібрати обладнання
автоматичний розрахунок комплекту обладнання для холодильної камери

У кошику порожньо!
Короткий опис
Серія L компресорів Cubigel найефективніші з серії високоефективних на пропані (R290) і ізобутані (R600a). В даній лінійці представлені компресори з об'ємом від 4 до 9.9 см3. Дана серія охоплює низько-, середньо-і висо... Читати далі...
Короткі характеристики
автоматичний розрахунок комплекту обладнання для холодильної камери
Написати в Viber
Написати в Telegram
Серія L компресорів Cubigel найефективніші з серії високоефективних на пропані (R290) і ізобутані (R600a). В даній лінійці представлені компресори з об'ємом від 4 до 9.9 см3. Дана серія охоплює низько-, середньо-і високотемпературне застосування. Розроблено для побутових холодильників, охолоджувачів пляшок і морозильників, охолоджувачів банок, морозильних скринь, торгових автоматів, морозильних камер для морозива, дозаторів для пива і безалкогольних напоїв, генераторів льоду і теплонасосних систем.
Тип двигуна CSIR (Capacitor Start -Induction Run) - це двигун з високим пусковим моментом. Використовує пусковий конденсатор. Пускова обмотка відключається після пуску. Стандартна енергоефективність. СреднеВисокотемпературние (HMBP) компресори працюють в діапазоні температури кипіння: від -25 до +10 ?C.
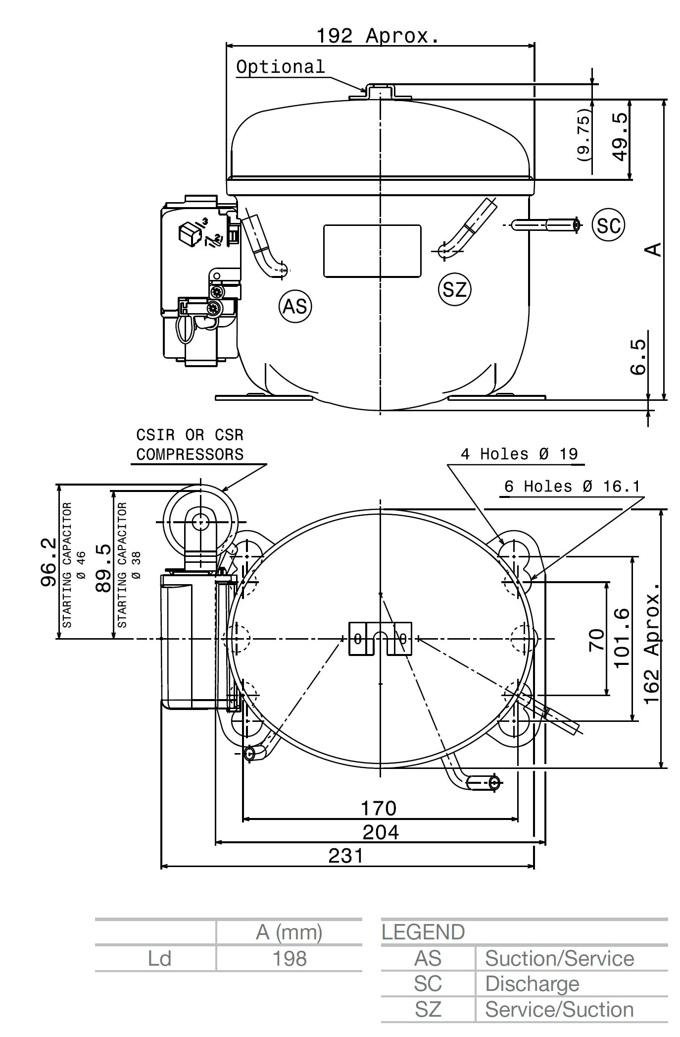
Схема-креслення компресора Cubigel GL11TB:
| ------- | |
| Актуальність | актуальний |
| Бренд | Cubigel |
| Вага | 10.3 кг |
| Гарантія | 12 місяців |
| Діаметр патрубків всмоктування | 6.5 мм |
| Діаметр патрубків нагнітання | 4 . 9 мм |
| Живленя | 220-240V / 50Hz / 1 ~ |
| Країна бренду | Іспанія |
| Модельний ряд | GL |
| Обсяг заправки масла | 395 см3 |
| Основна характеристика cм³ | 10.97 |
| Потужність | 3/8 к.с. |
| Розміри | 231х162х198 мм |
| Температура навколишнього середовища | макс. 43 ° C |
| Температурний режим | високотемпературний |
| Тип двигуна | CSIR |
| Тип компресора | поршневий |
| Тип корпуса | герметичний |
| Тип масла | ISO VG 32 ESTER |
| Управління | звичайне |
| Фреон | R134a |
| Холодопродуктивність | вентилятором |
