Підібрати обладнання
автоматичний розрахунок комплекту обладнання для холодильної камери

У кошику порожньо!
Короткий опис
Tecumseh Europe пропонує широкий асортимент компресорів для торговельного холодильного обладнання (вітрин, льдогенераторов, охолоджувачів напоїв, технологічного обладнання) і кондиціонування повітря. Компресори Текумсе ... Читати далі...
Короткі характеристики
автоматичний розрахунок комплекту обладнання для холодильної камери
Написати в Viber
Написати в Telegram
| ------- | |
| Актуальність | актуальний |
| Бренд | Tecumseh Europe |
| Гарантія | 12 місяців |
| Діаметр патрубків всмоктування | 9.5 мм (3/8 ') |
| Діаметр патрубків нагнітання | 6.35 мм (1/4 ') |
| Живленя | 220-240V / 50Hz / 1 ~ |
| Країна бренду | Франція |
| Модельний ряд | AE |
| Обсяг заправки масла | 387 см3 |
| Основна характеристика cм³ | 10.33 |
| охолодження при t ° конд. + 54,5 ° С, t ° кіп.-10 ° С | 663 Вт |
| Охолодження при t ° конд. + 54,5 ° С, t ° кіп.-15 ° С | 500 Вт |
| Охолодження при t ° конд. + 54,5 ° С, t ° кіп.-5 ° С | 857 Вт |
| Охолодження при t ° конд. + 54,5 ° С, t ° кіп.0 ° С | тисяча дев'яносто дві Вт |
| Охолодження при t ° конд. + 54,5 ° С, t ° кип. + 5 ° С | 1330 Вт |
| охолодження при t ° конд. + 54,5 ° С, t ° кип. + 7,2 ° С | 1517 Вт |
| Охолодження при t ° конд. + 54,5 ° С, t ° кип.+ 15 ° С | 2139 Вт |
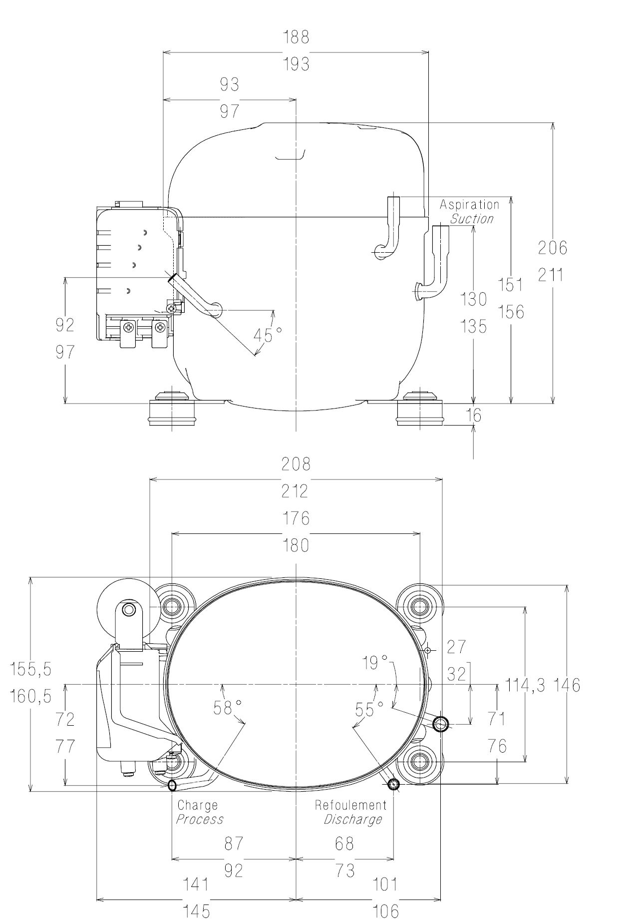
| Розміри | 251х160.5х210 мм |
| Температурний режим | високотемпературний |
| Тип двигуна | CSIR |
| Тип компресора | поршневий |
| Тип корпуса | герметичний |
| Тип масла | POE |
| Фреон | R404a |
