Підібрати обладнання
автоматичний розрахунок комплекту обладнання для холодильної камери

У кошику порожньо!
Короткий опис
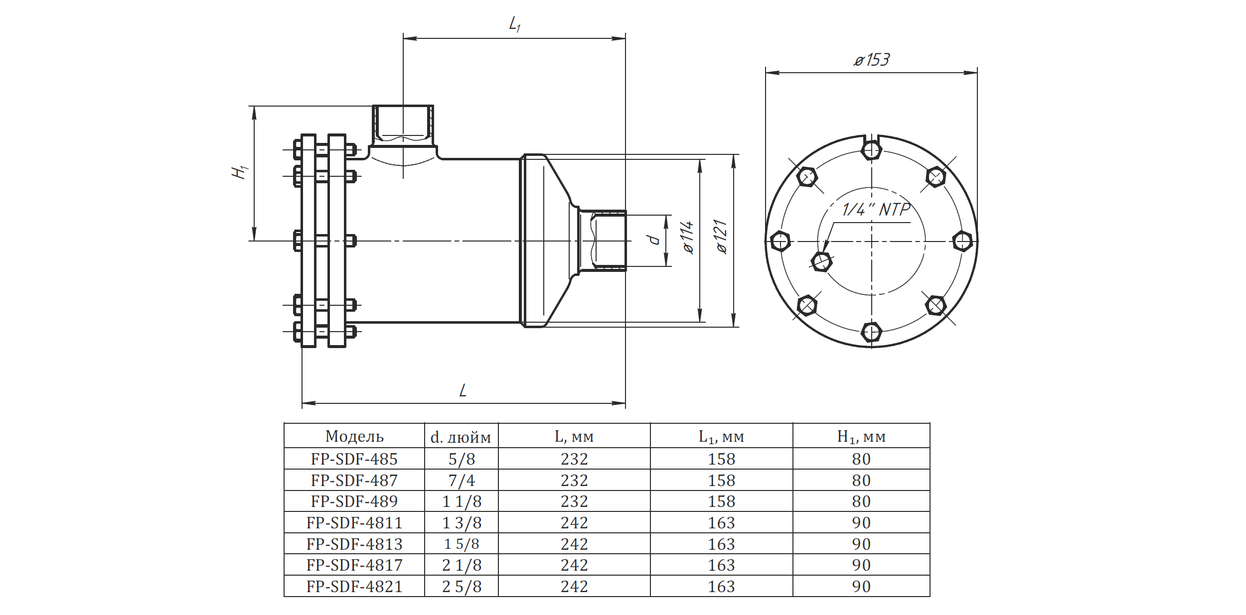
Корпус розбірного фільтра FP-SDF призначений для захисту систем холодопостачання та кондиціонування від твердих частинок, вологи і кислоти. Розбірний фільтр зазвичай встановлюється на рідинну лінію перед ТРВ або на всм... Читати далі...
Короткі характеристики
автоматичний розрахунок комплекту обладнання для холодильної камери
Написати в Viber
Написати в Telegram
Корпус розбірного фільтра FP-SDF призначений для захисту систем холодопостачання та кондиціонування від твердих частинок, вологи і кислоти. Розбірний фільтр зазвичай встановлюється на рідинну лінію перед ТРВ або на всмоктувальну магістраль перед компресором.
В корпус фільтра FP-SDF може бути встановлений стандартний змінний картридж 48 куб. дюймів, який в залежності від моделі може забезпечити ефективну механічну, антикислотний або волого-захист. Розбірні фільтри FP-SDF сумісні з ДФУ, ХФУ, ГХФУ холодоагентами, мінеральними, алкілбензольні і синтетичними маслами.
Схема-креслення фільтра Frigopoint FP-SDF-4821T:
| ------- | |
| Бренд | Frigopoint |
| З'єднання | 2 5/8 ' |
| Кількість сердечників | 1х48 дюймов3 |
| Країна бренду | Росія |
| Робоча температура (TS) | -45 ° C ... + 65 ° C |
| Робочий тиск (PS) | 34,5 бар (-10 ° C ... + 65 ° C) |
| Розміри | ?153х242 мм |
| Серія | SDF |
